世界杯(中国)

News

电气技术

Electrical Technology

学丨电气识图口诀

明暗敷,粗细线,加文字,画斜线, 标注导线各型号,宽厚截面标中间。 十字形,连T形, 导线交,连不连, 就看中心小圆点,明明白白好分辨。 绝缘线,要标记,从属端,独立线, 组合标记功能键,相位保护极性间。 元器件,图形号,简外形,要素号, 集中表示简单图,分开表示展开图。 工作态,画正常,接触点,...

《GB/T3906-2020 3.6kV-40.5kV交流金属封闭开关设备和控制设备》新版分享,赶紧来收藏!

排版编辑丨企划 审核部门 | 华亿电气技术部 声明:本文仅供学习交流分享,版权归原作者所有 感恩原作者辛勤付出,若涉及版权问题请联系删除

电气百科:三相三线电度表正确接线的简易判别法

  三相三线有功电能表计量三相三线有功电能,有两种非标准正确接线方式:   (1)元件1采用线电压UBC和相电流ib,元件2采用线电压UAC和相电流iA,这种接线方式的瞬间功率表达式为P=UBCib+UACiA;   (2)元件1采用线电压UCA和相电流ic,元件2采用线电压UBA和相电流ib,这种接线方式的瞬间功率表达式为P=U...

一周推送丨进线柜、出线柜、计量柜、PT柜、联络柜、隔离柜的组成及作用详解

  供电系统用于将高电压通过变压器的降压至用户所需电压等级并且配置有保护、计量、分配于一起的室内综合系统。     组成:进线柜、计量柜、PT柜、出线柜、联络柜、隔离柜     1、进线柜     进线柜:就是从外部引进电源的开关柜,一般是从供电网络引入 10kV 电源,10kV 电源经过开...

一周推送丨常见电气设备知识问答

  1、在电气设备上工作,保证安全的主要技术措施有哪些?答:停电、验电、装设接地线、悬挂标示牌和装设遮拦等安全措施。   2、在电气设备上工作,保证安全的组织措施是什么?答:变配电所的停送电和检修必须严格管理,有严密的管理制度作为安全保证,保证安全的组织措施是各种安全工作制度,最主要的有工作票制度...

科普丨配电房绝缘垫使用及验收标准

  众所周知绝缘胶垫是配电室的辅助安全工器具,主要是电力人员配电室作业时,铺设在配电柜前绝缘使用,不同配电室所需耐压和厚度不同,那么配电房绝缘垫标准是什么呢?接下来为大家讲解下吧。     绝缘胶垫又称为绝缘毯、绝缘垫、绝缘橡胶板、绝缘胶板、绝缘橡胶垫、绝缘地胶、绝缘胶皮、绝缘垫片等,具有较...

学习干货丨PT柜作用和功能

  PT柜顾名思义就是装有PT(PT为电压互感器的英文缩写)的开关柜,前面我们讲了电压互感器的做作用和原理,,下面我们看看柜体结构,与计量柜又有什么区别?     一、PT柜概述     PT柜我们经常又叫母线设备柜或电压互感器柜。里面一般设置有电压互感器一套、熔断器、避雷器等主要电器原件。熔...

一周推送丨电气设备停送电操作原则

  线路停送电原则与检查方法     对于电厂、变电站等厂站设备,出线线路停送电的顺序均遵从:     停电原则:断开线路开关后,先拉开线路侧刀闸,再拉开母线侧刀闸;   送电原则:检查该线路所有接地刀闸均在分闸位置,先合母线侧刀闸,再合上线路侧刀闸,最后再合上线路开关。   开关操作...

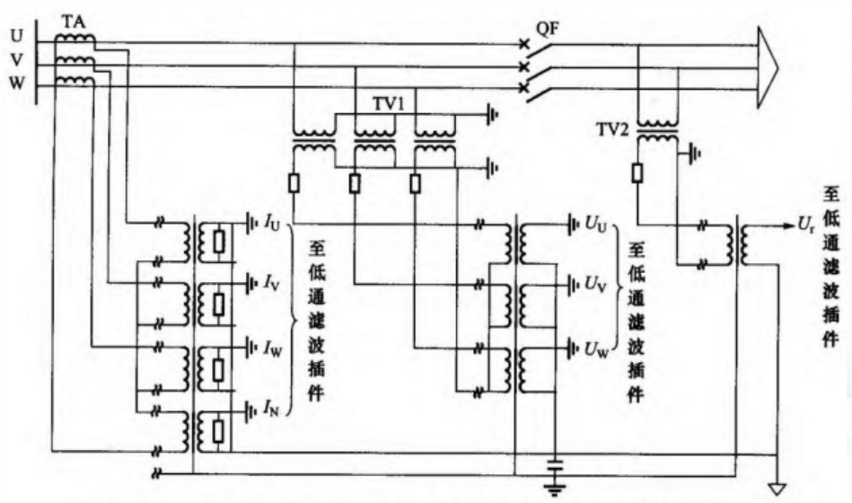
电气二次回路及其功能

  什么是二次回路?   在变电站内,各类继电保护装置、测控装置、安全自动装置、故障录波装置等统称为二次设备。   所谓的二次回路即是把这些二次设备,按一定功能要求连接起来,所形成的电气回路,以实现对一次系统设备运行工况的监视、测量、控制、保护、调节等功能。     二次回路的种类(按电的性...